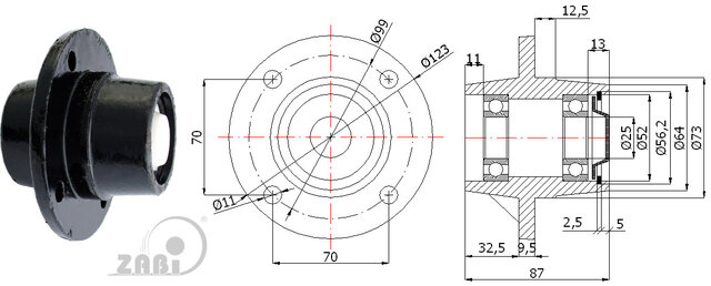
Piasty koła przewracarek

Wychodząc naprzeciw zapotrzebowaniu w naszej ofercie znajdziecie Państwo części zamienne i podzespoły do niektórych przewaracarek taśmowych, karuzelowych i widłowych. Wszystkie firmy produkujące maszyny takie ja Krone, Claas, Samasz, Bagramet, JF-STOLL, POMAROLL. Piasty do kół, rolki prowadzące pasy, oraz całe koła. Poniżej przedstawiamy przykładową piastę używaną w kołach 400x10 stosowanych do przewracarek taśmowych. Ponadto koło 380KLX6 montowane przez firmę produkującą przewracarki karuzelowe. Koło do przewracarek karuzelowych 380KLX6 cechuje bardzo wytrzymała felga oraz 6 płócienna opona. Piasta koła do przewracarek taśmowych jest wyposażona w podwójne łożysko 6205RS dodatkowo zabezpieczone plastikową zaślepką i segerem.

Czytaj także

Jak wibroizolatory poprawiają bezpieczeństwo i trwałość maszyn przemysłowych?
W środowisku przemysłowym drgania stanowią jedno z największych zagrożeń dla stabilnej pracy urządzeń. Oddziałują nie tylko na same konstrukcje maszyn, ale także na ludzi obsługujących linie produkcyjne. Już na etapie projektowania i...
Czytaj więcej
Odnawialne źródła energi - CERTYFIKAT
Bierzemy pełną odpowiedzialność za naszą planetę . Dlatego stawiamy sobie jako jeden z najważniejszych celów dbałość o środowisko oraz świadomość ekologiczną. Chcemy aby nasze działania przyniosły wymierne skutki w walce ze...
Czytaj więcej
Rolki silikonowe do przemysłu drukarskiego: transport, docisk, lakierowanie UV
W nowoczesnej poligrafii liczy się powtarzalność, czysty transport arkusza i stabilny docisk – niezależnie od tego, czy pracujesz na maszynach arkuszowych, rolowych, liniach do uszlachetniania, czy w sekcjach lakierowania UV....
Czytaj więcej
ZABI na AGRO SHOW – spotkajmy się w Sektorze D, Stoisko 397
AGRO SHOW to największe w Polsce i jedno z najważniejszych w Europie wydarzeń wystawienniczych dedykowanych branży rolniczej. Co roku w Bednarach gromadzą się tysiące rolników, producentów maszyn, dostawców technologii...
Czytaj więcej